Dodávka strojních dílů pro konstrukci, opravu či modernizaci strojů
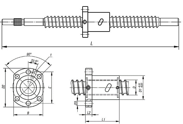
Na všech nabízených šroubech můžeme upravit konce pro uchycení. Dle dodané výkresové dokumentace nebo standardizovaných ukončení.